| Sign In | Join Free | My chinalane.org |
|
Brand Name : Shareway
Model Number : JIV-U7000NL
Certification : CE UL RoHS ISO9001:2008
Place of Origin : Guangdong China
MOQ : 100pcs
Price : Supportive
Payment Terms : TT,Paypal
Supply Ability : 5000K.PCS/Month
Delivery Time : Stock or 3-4 weeks
Packaging Details : 500 parts per full reel
Product name : RJ45 Connector for Industrial Ethernet Applications and IoT Devices with High-Speed Data TransferWith LED high frequency at 100KHz JIV-U7000NL
Usage : For HUB,PC card, Switch, Route, PC Mainboard, SDH, PDH, IP Phone
Product type : RJ45 LAN Transformer
Operating temperature range : 0°C up to +70 °C
Ports : 1*1
Inductance : 150 uH
Package : Cut Tape /MouseReel/ Reel
2250013-9 RJ45 Connector With Integrated Transformer For HUB,PC card, Switch, Route, PC Mainboard, SDH, PDH, IP Phone
Characteristics
Applications
Application Notes
Electrical Properties:
| Eigenschaften / properties | Testbedingungen / test conditions | Wert / value | Einheit / unit | tol. | |
| Induktivität / Inductance | 100kHz / 100mV @ 8mA DC-Bias | OCL | 350 | µH | min |
| Übersetzungsverhältnis 1 : 1 Tx / Turns ratio | 100kHz / 100mV | TR | 1 : 1 | Tx | ±2% |
| 1 : 1 | Rx | ||||
| Insertion Loss | 1-100MHz | IL | -1,0 | dB | max |
| Return Loss | 1-10MHz @ 100Ω | RL | -20 | dB | min. |
| 10-30MHz @ 100Ω | -16 | ||||
| 30-60MHz @ 100Ω | -12 | ||||
| 60-80MHz @ 100Ω | -10 | ||||
| Common Mode Rejection | 1-50MHz | CMR | -30 | dB | min. |
| 50-150MHz | -20 | ||||
| Crosstalk | 1-100MHz | CT | -30 | dB | min. |
2250013-9 RJ45 Connector With Integrated Transformer For HUB,PC card, Switch, Route, PC Mainboard, SDH, PDH, IP Phone
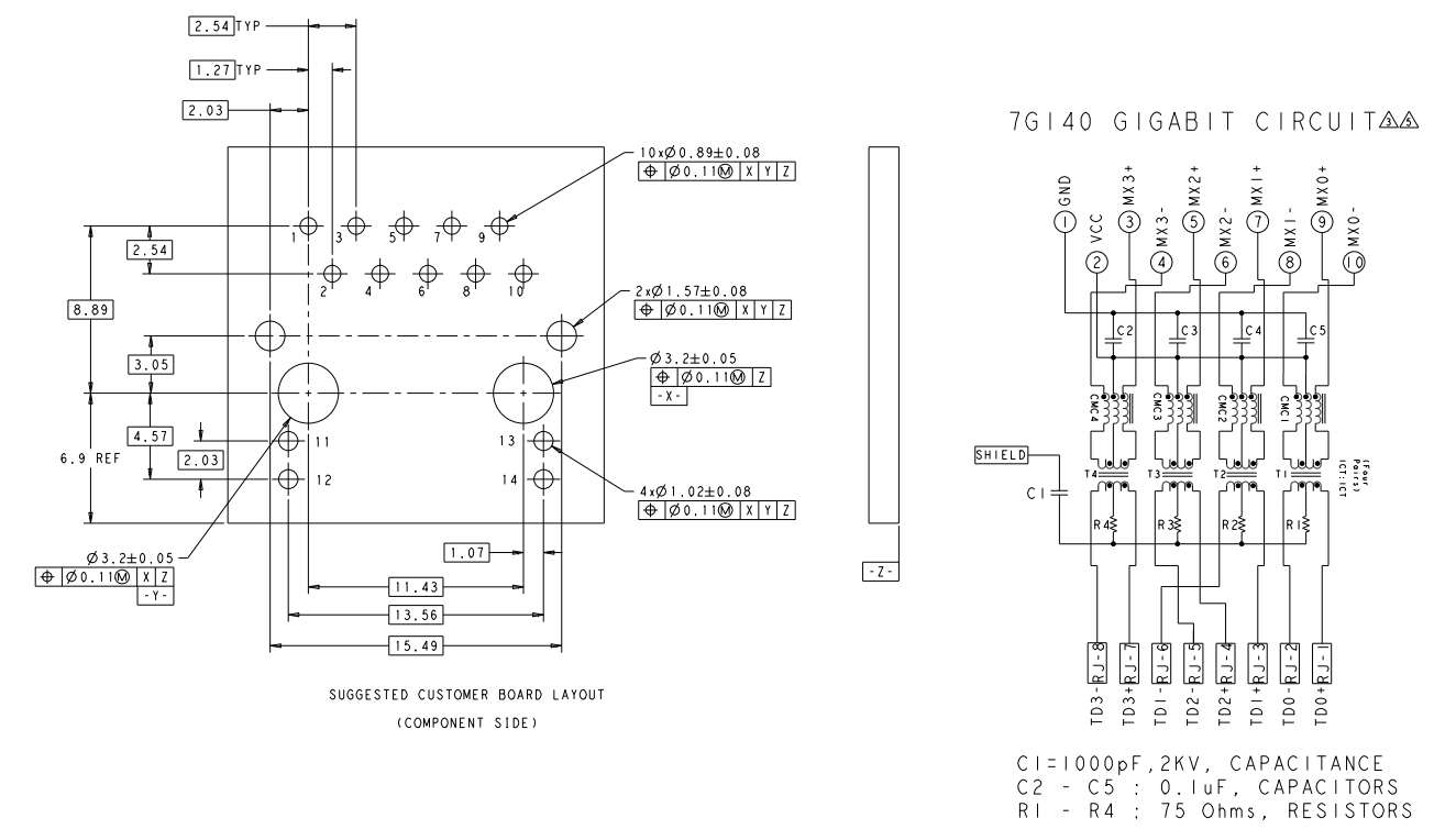
Shape and Dimensions:



Product picture:


2250013-9 RJ45 Connector With Integrated Transformer For HUB,PC card, Switch, Route, PC Mainboard, SDH, PDH, IP Phone
About us
ShareWay Technology CO., LTD. is a specialized manufacturer of PoE Components, products include PoE transformer, PoE RJ45 Magjack, PoE Lan Transformer, PoE Lan filter, and so on.
Established in 1998, we have around 500 staff at present. With the abundant productive capacity, we are able to deliver the goods within a short time. Moreover, we can provide a professional complete solution for PoE applications. Our products are widely used in networking and communication equipment such as HUB, PC cards, Switch, Route, PC Mainboard, SDH, PDH, and xDSL modems.
Company History
1997 ShareWay Technology CO., LTD. was founded in Shenzhen, Guangdong, China. Start selling the
discrete LAN Transformers, T1/E1 and xDSL Line Transformer.
1999 Established production base in Shenzhen, start producing the PoE Transformers, T1/E1
and xDSL Line Transformer.
2000 Obtained the ISO9000 certification.
2000 Develop PoE RJ45 connector which is with LAN transformers.
2002 Develop SMT and Vertical PoE RJ45 connector with magnetic.
2008 Develop SMT/DIP Power Inductor and Chokes
Contact us now to have a solution for your project and new design, we are always ready to share our successful Way with you.
HOW TO ORDER
1. Please send me your datasheet or part number you need.
2. We will offer the replacement quotation for your reference
3. The free samples are available for your approval.
4. After sample testing, we will step into the mass order.
5. The Proforma Invoice will send for your confirmation
6. After the goods are finished, we send the goods to you and tell you the tracking number.
7. We will track your goods until you receive the goods.
Remarks:
1. Sample orders are available.
2. Price is negotiable for orders of large quantities.
3. Customized orders (OEM/ODM orders) are available.
4. Contact us for the available flavors list. International Certifications:
1. ISO9001:2008
2. UL
3. Reach
4. RoHs
Our service:
1. 100% tested before shipping
2. Have alternatives for Halo, Pluse, We-online, Chilisin, and Coilcraft......Same quality but better price
3. Free samples available
4. Provide new design for customer
|
|
RJ45 Connector for Industrial Ethernet Applications and IoT Devices with High-Speed Data TransferWith LED high frequency at 100KHz JIV-U7000NL Images |